
透明液压实验台_进油节流调速回路实验是专门为用户解决疑难问题的,非常具有代表性,在客户进行产品选型前,我们一般建议用户先看下透明液压实验台_进油节流调速回路实验。这样能对用户选型有非常大的帮助。

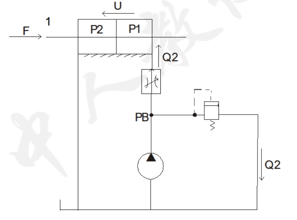
把流量控制阀装在执行元件的进油路上,称为进油节流调速回路。如图所示,回路工作时,液压泵输出的油液,经节流阀进入液压缸,推动活塞运动。一般情况下总有多余油液经溢流回油箱,这样,液压泵工作压力PB就恒定在溢流阀所调定的压力上。当活塞带动执行元件作匀速运动时,作用在活塞两个方向上的力是相互平衡的,即
P 1 A = F + P 2 A
式中 P1—液压缸右腔的工作压力;
P2—液压缸左腔的压力(俗称背压力),这里P2=0
F—活塞受的负载阻力(例如切削力,摩擦力等);
A—活塞有效工作面积。
整理上式得
P 1 = F / A
设节流阀前后的压力差为△P,则
P = P B – P1 =P B – F / A
流过节流阀进入液压缸的流量Q1为
Q 1 = K A
式中K为与节流口结构及油液性质有关的系统,A为节流口的通流截面积。再由式9.3可得活塞运动速度V为
分析上式可知,进油节流调速回路有如下性质:
结构简单,使用方便。由于活塞运动速度V与节流阀的通流截面积A成正比,调节A,即可方便地调节活塞运动速度。
速度的稳定性较差,因液压泵工作压力PB经溢流阀调定后近于恒定,节流阀的通流面积A。调定后也不变,活塞有效作用面积A为常数,所以活塞运动速度将随负载F的变化面波动。
低速低载时系统效率低,因为系统工作时,液压泵输出的流量和压力均不变,因此液压泵输出功率是定值,这样执行元件在低速低载下工作时,液压泵输出功率中有很大部分白白消耗在溢流阀(流理损耗)和节流阀(压力损耗)上,并使油液发热。运动平稳性能差,因为液压缸回油直接通油箱,回油路压力(又称背压力)为0,当负载突然变小、消失或为负值时,活塞也要突然前冲,为提高进油调速回路运支的平稳性,通常在回油路上串接一个背压阀(或用溢流阀,或用换装硬弹簧的单向阀作背压阀)。
进油节流调速回路一般应用在功率较小负载变化不大的液压系统中。
透明液压实验台可以完成的实训实训项目
1、用手动换向阀的换向回路。
2、用中位机能换向阀的用锁回路。
3、用液控平向阀的闭锁回路。
4、压力调定回路。
5、二级压力控制回路。
6、用减压阀的减压回路。
7、用增压缸的增压回路。
8、用H型换向阀的卸载回路。
9、进油节流调速回路。
10、回油节流调速回路。
11、调速齿轮泵的换向调速回路。
12、调速齿轮泵和调速阀组成的复合调速回路。
13、流量阀短接的速度换接回路。
14、用调速阀串连联的二次进给同路。
15、用调速阀并联的二次进给同路。
16、用顺序阀的顺序动作回路。
17、用压力继电回的顺序动作回路。
18、用行程开关控制的顺序动作回路。
19、用行程换向阀的顺序动作回路。
20、串联液压缸的同步回路。
21、用先导型溢流阀控制的换向回路。